Product

 PCB Solid State Relay

Features :

Load Current : 3A,5A

Mount : PCB

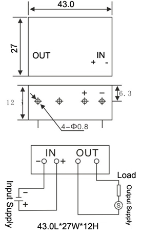
Outline Dimensions (mm)






















Specification :


Control Voltage Range 3-32VDC or 3-14VDC
Max Input Current 6-35mA
Must Operate Voltage 3.5VDC
Must Release Voltage 1.5VDC
Load Voltage 220VAC or 380VAC
Max. Load Current 3A ,5A
Off-State Leakage Current < 1.5mA
On-State Leakage Drop
≤ 1.5V
Delectric Strength 2500V
Operating Temperature -20℃~70℃
Certificate CE

Inquiry Form
Products Images:
Produt: PCB Solid State Relay
Full Name: *
Address:
Phone:
Email Address: *
Message: *
Upload Photos: